hotline400-808-7117

KS120T模拟信号拉绳位移传感器

       KS120T系列拉绳位移传感器最大测量行程为10000mm,测量轮周长400mm;是开思经典拉绳位移传感器,该款传感器是KS120S的升级版,经过市场的检验,已广泛的应用到多个场合。该款产品包含开思叁个专利,仿冒必究

相关资料下载
  • 技术参数详解
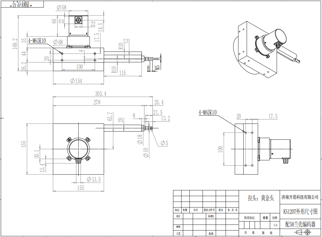
  • 安装尺寸
  • 安装方式

KS120T模拟参数.jpg

注意事项:

1.安装时要使拉线垂直拉线编码器,不能让线摩擦出线口;

2.拉绳位移传感器拉线安装头和设备移动端要可靠安装,防止长时间运行松动,自行弹回 

3.拉线头拉出后请不要松开,这样会造成传感器损坏,拉线时请勿超出线总长;

4.电气连接请安装位移传感器上的接线说明接线,要保证接线正确才能通电;

5.拉线位移传感器属于精密仪器请勿敲击,保证设备和钢丝绳清洁,延长使用寿命;

6.要保护好钢丝绳不受外力损伤;

7.室外或者环境比较恶劣的环境,请咨询开思防水防尘出线口或防护外壳;


开思科技官网-拉绳位移传感器、拉线位移传感器、拉线编码器、防爆位移传感器、位移传感器、旋转编码器、光电编码器、绝对值编码器

免费服务热线:400-808-7117

联系电话:0531-87985188 87984588 87989488 87985388 87985488

传 真:0531-87985177

网 址:www.kaisisensor.com 电子邮件:kaisi@kaisisensor.com

地 址:济南市槐荫区美里路海那城总部基地45号楼